ラジコンヘリ
電子回路設を趣味&仕事にしていた関係から、近年の電子ジャイロによるラジコンヘリの驚異的な進歩に興味を持ち、ラジコンヘリを始めて、ホバリングがやっと出来た初心者です。
[PR]上記の広告は3ヶ月以上新規記事投稿のないブログに表示されています。新しい記事を書く事で広告が消えます。
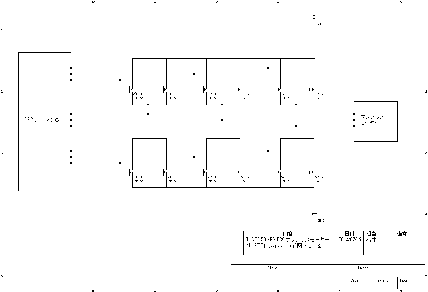
T-REX150を修理する際に、FETを選択した際の資料(ダウンロード)結果、選択したFETは、P-ChannelがIRF9358PBF、N-ChannelがFDS6898Aとなりました。